25NF8800 5T20图纸
5T20.pdf (570.7 KB)
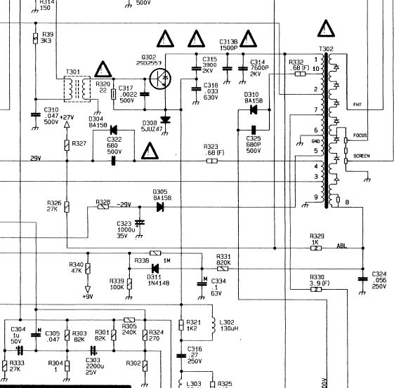
阳光电子学校维修专家认为:(阳光电子学校维修专家认为:){阳光电子学校维修专家认为:}行回扫变压器电路
看看百度收录:[ 25NF8800 5T20图纸]
2009-12-14 12:56:01统计:[]
5T20.pdf (570.7 KB)
阳光电子学校维修专家认为:(阳光电子学校维修专家认为:){阳光电子学校维修专家认为:}行回扫变压器电路
| |
11-28 |
| |
11-28 |
| |
11-28 |
| |
11-28 |
| |
11-28 |
| |
11-28 |
| |
11-28 |
| |
11-28 |
| |
11-28 |
| |
11-28 |